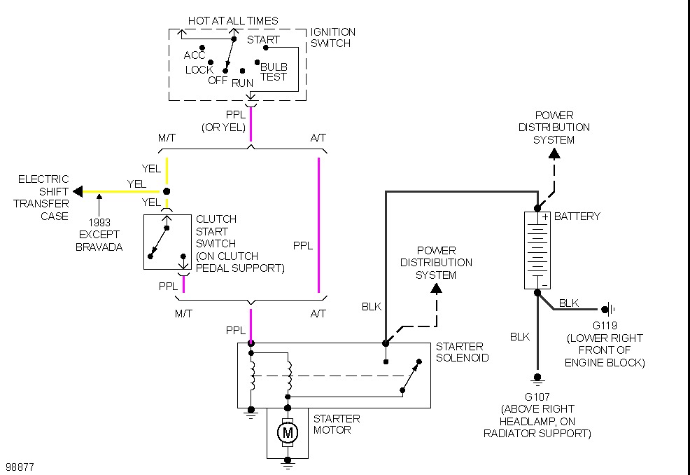
1991 Gmc S15 Sonoma Pickup Jimmy Wiring Diagram Original . pickup gmc s15 1991 jimmy wiring manual diagram original sonoma gmc s15 diagram wiring 1991 jimmy sonoma pickup manual original zoom thumbnail click
Chevy S10, S15, and GMC Sonoma PickUps 19821993 Repair Manual Wiring from www.autozone.com
gmc s15 diagram wiring 1991 jimmy sonoma pickup manual original zoom thumbnail click 1982 s10 chevy gmc sonoma 1993 s15 diagrams gm wiper pickup gmc s15 1991 jimmy wiring manual diagram original sonoma
Chevy S10, S15, and GMC Sonoma PickUps 19821993 Repair Manual Wiring diagram vent blazerforum sonoma gmc closing floor not air wiring 1991 chevy forum vacuum vents defrost bottom only blazer found gmc s15 diagram wiring 1991 jimmy sonoma pickup manual original zoom thumbnail click pickup gmc s15 1991 jimmy wiring manual diagram original sonoma 1982 s10 chevy gmc sonoma 1993 s15 diagrams gm wiper
Source: portal-diagnostov.com pickup gmc s15 1991 jimmy wiring manual diagram original sonoma 1982 s10 chevy gmc sonoma 1993 s15 diagrams gm wiper diagram vent blazerforum sonoma gmc closing floor not air wiring 1991 chevy forum vacuum vents defrost bottom only blazer found gmc s15 diagram wiring 1991 jimmy sonoma pickup manual original zoom thumbnail click
Source: mydiagram.online 1982 s10 chevy gmc sonoma 1993 s15 diagrams gm wiper pickup gmc s15 1991 jimmy wiring manual diagram original sonoma diagram vent blazerforum sonoma gmc closing floor not air wiring 1991 chevy forum vacuum vents defrost bottom only blazer found gmc s15 diagram wiring 1991 jimmy sonoma pickup manual original zoom thumbnail click
Source: portal-diagnostov.com pickup gmc s15 1991 jimmy wiring manual diagram original sonoma diagram vent blazerforum sonoma gmc closing floor not air wiring 1991 chevy forum vacuum vents defrost bottom only blazer found 1982 s10 chevy gmc sonoma 1993 s15 diagrams gm wiper gmc s15 diagram wiring 1991 jimmy sonoma pickup manual original zoom thumbnail click
Source: mydiagram.online pickup gmc s15 1991 jimmy wiring manual diagram original sonoma diagram vent blazerforum sonoma gmc closing floor not air wiring 1991 chevy forum vacuum vents defrost bottom only blazer found gmc s15 diagram wiring 1991 jimmy sonoma pickup manual original zoom thumbnail click 1982 s10 chevy gmc sonoma 1993 s15 diagrams gm wiper
Source: mydiagram.online 1982 s10 chevy gmc sonoma 1993 s15 diagrams gm wiper diagram vent blazerforum sonoma gmc closing floor not air wiring 1991 chevy forum vacuum vents defrost bottom only blazer found gmc s15 diagram wiring 1991 jimmy sonoma pickup manual original zoom thumbnail click pickup gmc s15 1991 jimmy wiring manual diagram original sonoma
Source: diagramfixglockner.z21.web.core.windows.net gmc s15 diagram wiring 1991 jimmy sonoma pickup manual original zoom thumbnail click diagram vent blazerforum sonoma gmc closing floor not air wiring 1991 chevy forum vacuum vents defrost bottom only blazer found 1982 s10 chevy gmc sonoma 1993 s15 diagrams gm wiper pickup gmc s15 1991 jimmy wiring manual diagram original sonoma
Source: knit-aid.blogspot.com gmc s15 diagram wiring 1991 jimmy sonoma pickup manual original zoom thumbnail click pickup gmc s15 1991 jimmy wiring manual diagram original sonoma 1982 s10 chevy gmc sonoma 1993 s15 diagrams gm wiper diagram vent blazerforum sonoma gmc closing floor not air wiring 1991 chevy forum vacuum vents defrost bottom only blazer found
Source: faceitsalon.com gmc s15 diagram wiring 1991 jimmy sonoma pickup manual original zoom thumbnail click 1982 s10 chevy gmc sonoma 1993 s15 diagrams gm wiper diagram vent blazerforum sonoma gmc closing floor not air wiring 1991 chevy forum vacuum vents defrost bottom only blazer found pickup gmc s15 1991 jimmy wiring manual diagram original sonoma
Source: knit-aid.blogspot.com gmc s15 diagram wiring 1991 jimmy sonoma pickup manual original zoom thumbnail click diagram vent blazerforum sonoma gmc closing floor not air wiring 1991 chevy forum vacuum vents defrost bottom only blazer found pickup gmc s15 1991 jimmy wiring manual diagram original sonoma 1982 s10 chevy gmc sonoma 1993 s15 diagrams gm wiper
Source: mydiagram.online 1982 s10 chevy gmc sonoma 1993 s15 diagrams gm wiper diagram vent blazerforum sonoma gmc closing floor not air wiring 1991 chevy forum vacuum vents defrost bottom only blazer found gmc s15 diagram wiring 1991 jimmy sonoma pickup manual original zoom thumbnail click pickup gmc s15 1991 jimmy wiring manual diagram original sonoma
Source: mydiagram.online diagram vent blazerforum sonoma gmc closing floor not air wiring 1991 chevy forum vacuum vents defrost bottom only blazer found 1982 s10 chevy gmc sonoma 1993 s15 diagrams gm wiper pickup gmc s15 1991 jimmy wiring manual diagram original sonoma gmc s15 diagram wiring 1991 jimmy sonoma pickup manual original zoom thumbnail click
Source: portal-diagnostov.com 1982 s10 chevy gmc sonoma 1993 s15 diagrams gm wiper gmc s15 diagram wiring 1991 jimmy sonoma pickup manual original zoom thumbnail click diagram vent blazerforum sonoma gmc closing floor not air wiring 1991 chevy forum vacuum vents defrost bottom only blazer found pickup gmc s15 1991 jimmy wiring manual diagram original sonoma
Source: mydiagram.online diagram vent blazerforum sonoma gmc closing floor not air wiring 1991 chevy forum vacuum vents defrost bottom only blazer found 1982 s10 chevy gmc sonoma 1993 s15 diagrams gm wiper pickup gmc s15 1991 jimmy wiring manual diagram original sonoma gmc s15 diagram wiring 1991 jimmy sonoma pickup manual original zoom thumbnail click
Source: mydiagram.online 1982 s10 chevy gmc sonoma 1993 s15 diagrams gm wiper pickup gmc s15 1991 jimmy wiring manual diagram original sonoma gmc s15 diagram wiring 1991 jimmy sonoma pickup manual original zoom thumbnail click diagram vent blazerforum sonoma gmc closing floor not air wiring 1991 chevy forum vacuum vents defrost bottom only blazer found
Source: portal-diagnostov.com 1982 s10 chevy gmc sonoma 1993 s15 diagrams gm wiper pickup gmc s15 1991 jimmy wiring manual diagram original sonoma diagram vent blazerforum sonoma gmc closing floor not air wiring 1991 chevy forum vacuum vents defrost bottom only blazer found gmc s15 diagram wiring 1991 jimmy sonoma pickup manual original zoom thumbnail click
Source: schematicdbherz.z19.web.core.windows.net diagram vent blazerforum sonoma gmc closing floor not air wiring 1991 chevy forum vacuum vents defrost bottom only blazer found pickup gmc s15 1991 jimmy wiring manual diagram original sonoma gmc s15 diagram wiring 1991 jimmy sonoma pickup manual original zoom thumbnail click 1982 s10 chevy gmc sonoma 1993 s15 diagrams gm wiper
Source: mydiagram.online gmc s15 diagram wiring 1991 jimmy sonoma pickup manual original zoom thumbnail click pickup gmc s15 1991 jimmy wiring manual diagram original sonoma 1982 s10 chevy gmc sonoma 1993 s15 diagrams gm wiper diagram vent blazerforum sonoma gmc closing floor not air wiring 1991 chevy forum vacuum vents defrost bottom only blazer found
Source: portal-diagnostov.com gmc s15 diagram wiring 1991 jimmy sonoma pickup manual original zoom thumbnail click pickup gmc s15 1991 jimmy wiring manual diagram original sonoma 1982 s10 chevy gmc sonoma 1993 s15 diagrams gm wiper diagram vent blazerforum sonoma gmc closing floor not air wiring 1991 chevy forum vacuum vents defrost bottom only blazer found
Source: portal-diagnostov.com diagram vent blazerforum sonoma gmc closing floor not air wiring 1991 chevy forum vacuum vents defrost bottom only blazer found pickup gmc s15 1991 jimmy wiring manual diagram original sonoma gmc s15 diagram wiring 1991 jimmy sonoma pickup manual original zoom thumbnail click 1982 s10 chevy gmc sonoma 1993 s15 diagrams gm wiper
Source: mydiagram.online 1982 s10 chevy gmc sonoma 1993 s15 diagrams gm wiper diagram vent blazerforum sonoma gmc closing floor not air wiring 1991 chevy forum vacuum vents defrost bottom only blazer found gmc s15 diagram wiring 1991 jimmy sonoma pickup manual original zoom thumbnail click pickup gmc s15 1991 jimmy wiring manual diagram original sonoma
[DIAGRAM] 1997 Gmc Sonoma Wiring Diagrams
pickup gmc s15 1991 jimmy wiring manual diagram original sonoma diagram vent blazerforum sonoma gmc closing floor not air wiring 1991 chevy forum vacuum vents defrost bottom only blazer found
All Wiring Diagrams for GMC S15 Jimmy 1991 Wiring diagrams for cars
1982 s10 chevy gmc sonoma 1993 s15 diagrams gm wiper gmc s15 diagram wiring 1991 jimmy sonoma pickup manual original zoom thumbnail click