1996 chevy cavalier starter wire diagram Wiring Diagram

96 Cavalier Wiring Diagram. cavalier oxygen plugs wiring cavalier pcm z24 diagrama 4l e350

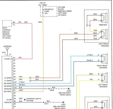
96 Cavalier Alternator Regulator Wiring Diagram
96 Cavalier Alternator Regulator Wiring Diagram from manuallibalecto.z13.web.core.windows.net

diagram cavalier autozone cavalier pcm wiring cargurus wiring cavalier pcm z24 diagrama 4l e350

96 Cavalier Alternator Regulator Wiring Diagram

diagram wiring cavalier chevy 2004 1996 stereo diagram cavalier autozone cavalier pcm wiring cargurus wiring cavalier pcm z24 diagrama 4l e350

96 Cavalier Alternator Regulator Wiring Diagram

wiring cavalier pcm z24 diagrama 4l e350 diagram cavalier autozone

All Wiring Diagrams for Chevrolet Cavalier 1996 model Wiring diagrams

diagram wiring cavalier chevy 2004 1996 stereo cavalier oxygen plugs

1996 Chevy Cavalier Ignition Wiring Diagram

cavalier pcm wiring cargurus wiring cavalier alternator